Jump to navigation
Get Involved
Contribute
Give Now
Monthly Giving
Stewardship Circle
Emerald Circle
Business Sponsorship
Legacy Giving
Make a Payment
Home
About
Vision, Mission, & Values
Diversity, Equity, and Inclusion
Where We Work
Staff & Interns
Board of Directors
Partners and Major Funders
Business Sponsors
Annual Impact Reports
Newsletters
Featured Articles
WMG in the news
History
Event Calendar
Search
Contact Us
Learning Center
Resource Library
Classes & Tours
Professional Training
Living Lab
Services for your School
Docent Program
Videos
Photo Galleries
Services for You
Your Home
Your Business
Your School
Your Neighborhood
Tu Comunidad
Your Watershed
Advocacy & Stewardship
Green Stormwater Infrastructure
Steward In Place
Build A Rain Garden
Tippy Taps
River Run Network
50-Year Vision
Tucson’s Rivers Past and Present
Take Action
Flow365 Monitoring
Release the Beavers!
Arundo Eradication
RRN Blog
About
Vision/Mission
Staff
Board of Directors
Partners and Major Funders
Business Sponsors
Annual Impact Reports
Newsletters
WMG in the News
Press Releases
History
Learning Center
Resource Library
Classes and Tours
Professional Training
Living Lab
Services for your School
Docent Program
Videos
Photo Galleries
Services for You
Your Home
Your Business
Your School
Your Neighborhood
Tu Comunidad
Your Watershed
Advocacy & Stewardship
We Are One Watershed
Green Stormwater Infrastructure
Flowing Wells Neighborhood
Steward In Place
Build Your Own Basin
Tippy Taps
River Run Network
Release the Beavers!
50-Year Vision
Tucson’s Rivers Past and Present
Take Action
Flow365 Monitoring
Arundo Eradication
RRN Blog
Events
Get Involved
Contact Us
Search
Contribute
Give Now
Monthly Giving
Stewardship Circle
Business Sponsorship
Legacy Giving
Make a Payment
Home
>
Document
>
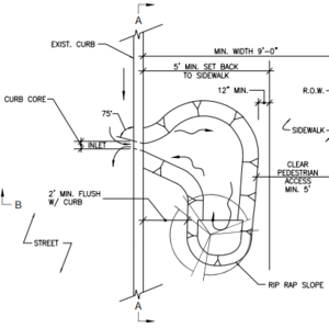
Tucson Water Curb Cut/Core Drill Information
Tucson Water Curb Cut/Core Drill Information
Tucson Water Curb Cut/Core Drill Information
Green Infrastructure